Unsere deutschsprachige Kundenbetreuung undunser Engineering unterstütz Sie gerne direktund lokal.
Wir freuen uns auf Ihre Anfrage.
Kontaktadresse Deutschland
Telefon:+49 (0)7531 8914 993
Email:fc-de@finecables.com
Adresse:Lohnerhofstrasse 278467 Konstanz

Büro Schweiz und Kontakt Österreich
Telefon:+41 (0)71 669 17 85
Email:fc-ch@finecables.com
Adresse:Oberstrasse 48274 Tägerwile

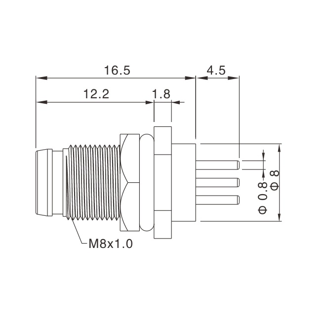
连接器系列: M8
类别: 公
接口防呆类型: A
锁紧方式: 螺纹式/快速插拔式
连接头类型: 前锁
料号: MB08MBAFI**ST
| 执行标准: | IEC 61076-2-104 |
| 适用温度: | -25℃ ~ +90℃(可定制-40℃~+85℃) |
| 胶芯材料: | TPU |
| 端子材料: | 黄铜镀金 |
| 螺丝/螺母材料: | 黄铜镀镍 |
| 密封材料/密封圈: | 环氧树脂/FKM(氟橡胶) |
| 绝缘阻抗: | ≥100MΩ |
| 接触阻抗: | ≤5mΩ |
| 是否屏蔽: | 否 |
| 防护等级: | IP67/IP65(锁紧状态) |
| 芯数 | 额定电流 | 额定电压 | 端子类型 | |
|---|---|---|---|---|
| A/C | D/C | |||
| 03 pins | 3A | 60V | 60V | PCB型 |
| 04 pins | 3A | 30V | 30V | PCB型 |